Voltage Series Feedback Amplifier Circuit Diagram. The basic transistor amplifier circuit is indicated below rc is called the collector resistor and re the emitter resistor. Block diagram of voltage shunt negative feedback.
Voltage Series And Shunt Feedback (Hindi) YouTube from www.youtube.com
The power amplifier circuit is meant to raise the power level of the input signal. (c) the output voltae, if input voltage is 1 v. S.no apparatus range quantity 1.
A Voltage Amplifier In Simplest Form Is Any Circuit That Puts Out A Higher Voltage Than The Input Voltage.
Between the voltage amplifier and the power amplifier stages,. The feedback current is given by $i_f = β v_o$. Voltage series feedback (voltage feedback).
Find (A) The Voltage Gain With Feedback In Db.
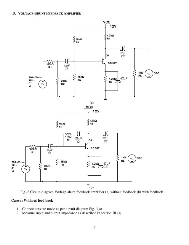
The concept of feedback amplifier can be understood from the following figure. Design and analysis of voltage shunt feedback amplifier aim: The feedback connection at input matches with that of the basic amplifier, but the connection at the output is opposite to that of the basic amplifier.
In A Similar Manner As For Voltage Series, For Current Series Feedback We Obtain:
A rule of thumb is: So as to keep the output voltage constant almost. Draw the circuit diagram of voltage shunt feedback amplifier and derive the expressions for rif and rof.
This Is Collector To Base Biasing When The Input Signal Is Applied To The Input Then Amplified Output V O Is Produced With 180 0 Phase.
The figure shown below represents the block diagram of an amplifier employing feedback network. Resistance amplifier is called so because output is voltage and input is current, hence ratio. An amplifier has a voltage gain of 100, the feedback ratio is 0.05.
The Feedback Voltage Is Derived From The Voltage Divider Circuit Formed Of Resistors R1 And R2.
S.no apparatus range quantity 1. 5 rows a voltage series feedback amplifier. Voltage shunt feedback = voltage sampling + shunt mixing.
How Fast Do Supercharged Go Karts Go . We offer fun times, great memories, and team building opportunities which are all perfect for your next group or corporate event. 50cc is mostly used for kid kart racing, and karts in this class are allowed to speeds of no more than 30mph, although are frequently restricted further for safety. Formula Fast Go Karting Tickets from www.gokartingtickets.co.uk Is conveniently located just 20 minutes away! The engine sounds really put. 50cc is mostly used for kid kart racing, and karts in this class are allowed to speeds of no more than 30mph, although are frequently restricted further for safety.
How Many Amps Is 5000 Watts At 220 Volts . A 1500 watt heater will cost the same to run whether it is 120 or 240 volt. If we repeat the exercise and ask ourselves how many amps equals 1000 watts, we get: CONVERT VOLT AMPS TO WATTS from soweiter.net Since there is a huge variety, the amps and watts required will also vary. Equivalent amps and watts at 12v ac current power voltage 15 amps 180 watts 12 volts 20 amps 240 watts 12 volts 25 amps 300 watts 12 volts 30 amps 360 watts 12 volts. On a generator that large it is most likely that it also has the capacity to produce 240 volts.
Voltage Regulation Characteristics Of Zener Diode . A graph of current through vs the voltage across the device is called the characteristic of zener diode. The voltage drop across the diode always remains constant irrespective of the applied voltage, and this feature of the zener diode makes it suitable for voltage regulation. What are the IV characteristics of a Zener diode? Quora from www.quora.com In a standard diode, the zener voltage is high, and the diode is permanently damaged if a reverse current above that value is allowed to pass through it. Zener diode is used as a voltage regulator by the use of a reverse bias in order to ensure that the voltage remains stable. This principle is used in voltage regulator using zener diodes the figure shows the zener voltage regulator, it consists of a current limiting resistor rs connected in series with the input voltage vs and zener diode is connected in parallel with the load rl in reverse biased condition.
Comments
Post a Comment